QR код
Продукти
Свържете се с нас


факс
+86-574-87168065

Електронна поща

Адрес
Индустриална зона Luotuo, област Zhenhai, град Нингбо, Китай
Универсалният съединител SWC-WD Short Without Flex Flange Type на Raydafon е създаден, за да премества въртящия момент ефективно в тежки машини – помислете за стоманени валцоващи мелници, кранове, повдигащо оборудване, всички тези тежки съоръжения. Той има компактен, нетелескопичен дизайн на фланеца, с диаметри на въртене, вариращи от 180 mm до 1320 mm. Този универсален съединител с къс фланец може да се справи с ъглови несъосности до 15 градуса и въртящ момент до 16 000 kN·m, така че дори в тесни пространства, където няма много място, той поддържа преноса на мощността надеждно. Ние го правим от високоякостна 35CrMo стомана, с носеща конструкция, която не се нуждае от болтове - идеален за универсални съединители за тежки машини и нетелескопични универсални съединители за индустриални приложения. Не изисква много поддръжка и издържа вечно, което е точно това, от което се нуждаете при трудни настройки.
Нашето производство в Китай следва стандартите ISO 9001, така че универсалният съединител SWC-WD издържа в тежки условия. Напречният вал е хромиран, за да устои на корозия, което допринася за неговата здравина. Неговият твърд, заварен дизайн на фланеца прави монтажа лесен, особено в металургията и минното оборудване, където аксиалното движение е доста минимално. Можем да персонализираме размера, за да отговаря на вашите нужди, така че този издръжлив къс универсален съединител работи чудесно като персонализирани универсални съединители за кранови системи и други тежки задачи. И цената също е конкурентна. Прецизната изработка на Raydafon означава по-малко време на престой и по-надеждно оборудване – нещо, на което индустриалните оператори по света могат да разчитат.
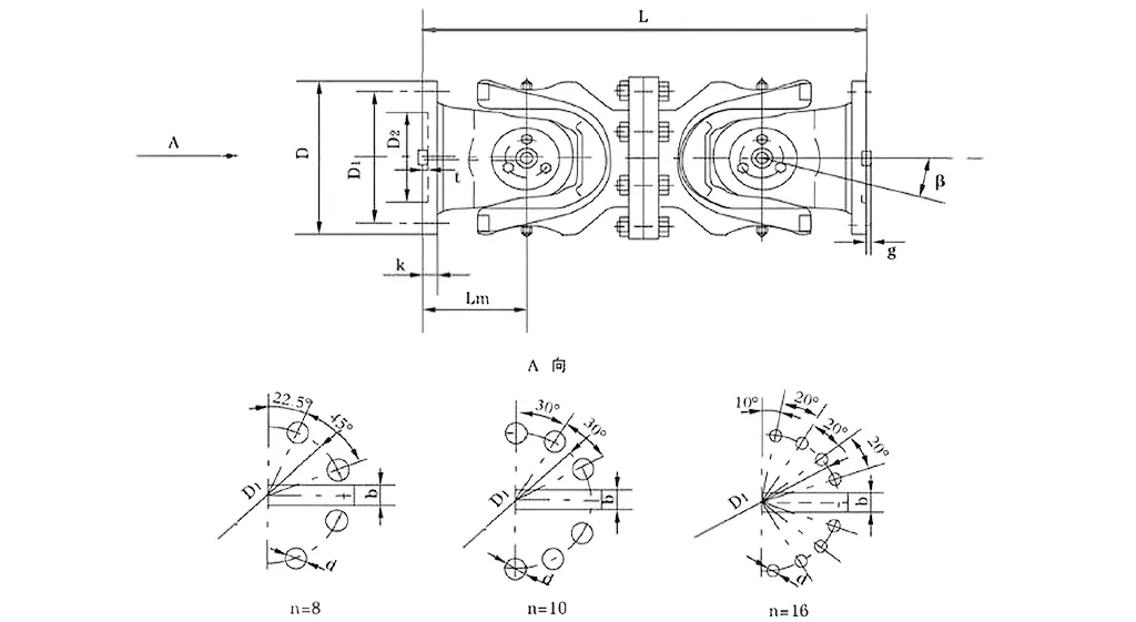
| не | Диаметър на въртене D мм | Номинален въртящ момент Tn KN·m | Ъгъл на сгъване на осите β (°) | Уморен въртящ момент Tf KN·m | Размер (mm) | Тегло (кг) | |||||||||
| Lmin | D1 (js11) | D2 (H7) | Lm | n-d | k | t | b (h9) | g | Lmin | Увеличете 100 мм | |||||
| SWC180WD | 180 | 12.5 | 6.3 | ≤25 | 440 | 155 | 105 | 110 | 8-17 | 17 | 5 | - | - | 0.145 | 52 |
| SWC225WD | 225 | 40 | 20 | ≤15 | 480 | 196 | 135 | 120 | 8-17 | 20 | 5 | 32 | 9.0 | 0.355 | 82 |
| SWC250WD | 250 | 63 | 31.5 | 560 | 218 | 150 | 140 | 8-19 | 25 | 6 | 40 | 12.5 | 0.831 | 127 | |
| Swc285wd | 285 | 90 | 45 | 640 | 245 | 170 | 160 | 8-21 | 27 | 7 | 40 | 15.0 | 1.715 | 189 | |
| SWC315WD | 315 | 125 | 63 | 720 | 280 | 185 | 180 | 10-23 | 32 | 8 | 40 | 15.0 | 2.820 | 270 | |
| SWC350WD | 350 | 180 | 90 | 776 | 310 | 210 | 194 | 10-23 | 35 | 8 | 50 | 16.0 | 4.791 | 370 | |
| SWC390WD | 390 | 250 | 125 | 860 | 345 | 235 | 215 | 10-25 | 40 | 8 | 70 | 18.0 | 8.229 | 524 | |
| Swc440wd | 440 | 355 | 180 | 1040 | 390 | 255 | 260 | 16-28 | 42 | 10 | 80 | 20.0 | 15.320 | 798 | |
| SWC490WD | 490 | 500 | 250 | 1080 | 435 | 275 | 270 | 16-31 | 47 | 12 | 90 | 22.5 | 25.740 | 1055 | |
| SWC550WD | 550 | 710 | 355 | 1220 | 492 | 320 | 305 | 16-31 | 50 | 12 | 100 | 22.5 | 46.780 | 1524 | |
| SWC620WD | 620 | 1000 | 500 | 1360 | 555 | 380 | 340 | 10-38 | 55 | 12 | 100 | 25.0 | 83.760 | 2120 | |
* 1. Tf-при редуващо се натоварване въртящият момент, който позволява според якостта на умора.
SWC карданният съединител на Raydafon – обикновено наричан SWC карданен вал – не е просто част; той е задължителен в тежкотоварни промишлени области, като валцовани мелници, подемно оборудване и всякакви трудни настройки на тежки машини. Като универсален шарнирен съединител с висок въртящ момент, той върши солидна работа, свързвайки два трансмисионни вала, които не са идеално подравнени, като гарантира, че мощността се доставя гладко дори когато условията на работа са наистина тежки.
Нека поговорим за основните му характеристики: диаметърът на въртене варира от φ58 до φ620, номиналният въртящ момент е от 0,15 до 1000 kN·m, а ъгълът на сгъване на оста е не повече от 25°.
Този съединител работи най-добре на определени места – например когато имате нужда от надежден универсален съединител за тежки условия на работа на валцова мелница или издръжлив съединител на универсален шарнирен вал SWC в оборудване за повдигане и обработка на материали. В тези случаи той демонстрира силата си: дори при големи натоварвания той поддържа операциите стабилни, без бъркотия или повреди.
Универсалният шарнирен съединител SWC на Raydafon не е просто събран – той е изграден с интелигентно, актуално инженерство, за да работи чудесно и да издържи дълго време в индустриална употреба. Нека да разгледаме какво прави структурата му да се откроява.
Първо, той има разумна и безопасна конфигурация: използвахме интегриран дизайн на вилица за този промишлен универсален съединител, който намалява рисковете като разхлабване или счупване на болтове. Само тази настройка го прави 30%-50% по-здрав като цяло, така че работи безопасно и постоянно. В сравнение с обикновените съединители, той издържа много по-дълго и избягва често срещани проблеми в места с високо напрежение - като системите за съединяване на универсални шарнири за тежки машини, които виждате при тежки работни места.
Освен това има подобрена товароподемност: този тежкотоварен универсален съединител SWC е направен да се справя с големи тежести, така че е задължителен на места, които се нуждаят от първокласно управление на товара, като минни съоръжения или строителни машини.
Той също така постига висока ефективност на предаване - до 98,6%. Като ефективен универсален шарнирен съединител за пренос на голяма мощност, той намалява потреблението на енергия и разходите, които идват с това. Ето защо това е най-добрият избор за енергоспестяващи решения за свързване на универсални шарнири в инсталации за промишлени трансмисии с висока мощност.
И работи гладко с нисък шум: предаването остава стабилно и шумът обикновено варира между 30-40 dB(A). Този нискошумен универсален шарнирен съединител поддържа операциите тихи, което е идеално за промишлени места, където шумът е проблем – като същевременно запазва надеждността на високо ниво.
⭐⭐⭐⭐⭐ Джан Уей, главен инженер, Henan Mining Equipment Co., Ltd.
Поставяме универсалния съединител SWC-WD Short Without Flex Flange на Raydafon на нашите минни машини и той пасна идеално. Компактният му дизайн е точно това, от което се нуждаем за тесни пространства, където няма много свободно място, а конструкцията е достатъчно здрава, за да поддържа операциите стабилни. Дори когато работи без прекъсване при тежки условия на работа, този съединител никога не ни разочарова – никакви повреди. Нашият екип по поддръжката обича, че почти не се нуждае от проверка, което означава, че можем да поддържаме производството да се движи гладко без допълнителни проблеми.
⭐⭐⭐⭐⭐ Майкъл Браун, оперативен мениджър, Texas Steel Works, САЩ
Нашата работилница в Тексас поръча SWC-WD Short Without Flex Flange Type Universal Coupling от Raydafon и честно казано, качеството ни изуми. Съединителите са обработени много добре, монтирането им е лесно и те се държат надеждно дори когато са под товар. Какво ми направи впечатление най-много? Колко добре балансира цена и производителност - не намирате често това приятно място. Намирането на доставчик, който постоянно предоставя това ниво на качество, не е лесно, но Raydafon абсолютно доказа, че е надежден партньор за нас.
⭐⭐⭐⭐⭐ Анна Мюлер, Супервайзер по поддръжката, Berlin Industrial Solutions, Германия
Ние поставихме универсалния съединител тип SWC-WD Short Without Flex Flange на Raydafon на нашата линия оборудване в Берлин и резултатите бяха страхотни. Самият продукт изглежда здрав като скала, заваряването е прецизно - тук няма калпава работа - и досега се държи много добре, показвайки първокласна издръжливост. В сравнение с някои други марки, които сме използвали тук в Европа, този съединител е много по-надежден и цената също е много по-конкурентна. Ако други компании търсят надеждни универсални съединители, аз абсолютно препоръчвам Raydafon.
Универсалният съединител SWC-WD Short Without Flex Flange Type на Raydafon — често наричан съединител на карданния вал SWC — е създаден за тесни промишлени места, където пространството е ограничено и се нуждаете от дизайн с фиксирана дължина (без телескопично разширение). Като универсален шарнирен съединител с висок въртящ момент, той премества въртящия момент ефективно между валове, които не са подравнени, като се справя с ъглови отклонения до 25 градуса и остава надежден дори в тежки условия.
Нека да поговорим за основните му характеристики: Той има компактна и твърда структура - тази къса, негъвкава настройка на фланеца го прави надежден универсален съединител за тежки условия за операции на валцувани мелници, като дава допълнителна стабилност при настройки, където аксиалното движение е минимално. Ето защо работи толкова добре за връзки на фиксирани разстояния в тежки машини. Освен това има висока товароносимост: ние използваме здрави материали като чугун или легирана стомана, за да го направим, така че това е издръжлив SWC съединител на карданен вал в оборудване за повдигане и обработка на материали. Той поддържа големи тежести и предава повече въртящ момент от други съединители със същия диаметър, което го прави идеален за големи натоварвания в минни или строителни съоръжения.
Този промишлен универсален съединител също така компенсира много добре несъосността - независимо дали е ъглова, успоредна или аксиална несъосност, тя не пречи на скоростта на въртене или трансфера на въртящия момент. Това означава безпроблемна работа в системите за свързване на универсални шарнири на тежки машини. И е ефективен при предаване на мощност: достигайки до 98,6% ефективност, този SWC универсален шарнирен съединител за тежък режим на работа поддържа ниски загуби на енергия, което го прави ефективен универсален шарнирен съединител за пренос на голяма мощност в промишлени инсталации с висока мощност.
Плюс това, той е проектиран да пести енергия и да работи тихо - ако имате нужда от енергоспестяващи решения за свързване на универсални шарнири, това е най-добрият избор, намаляващ оперативните разходи. И поддържа шума между 30-40 dB(A), така че този нискошумен универсален шарнирен съединител пасва точно в промишлени места, където шумът е проблем.
Този съединител наистина блести в специфични сценарии – например, когато имате нужда от надежден съединител с универсален шарнир за тежки условия за операции на валцова мелница или издръжлив съединител на универсален шарнирен вал SWC в оборудване за повдигане и обработка на материали. В тези случаи, дори при екстремни натоварвания и ограничено пространство, той поддържа операциите стабилни, без хълцане.
Когато става въпрос за промишлени приложения за универсални съединения, нашият вариант SWC-WD се откроява с интелигентно инженерство, което го прави по-добър и издържан по-дълго. Нека да поговорим за ключовата му структура: има разумна, безопасна настройка с интегриран дизайн на вилица – това премахва проблеми като разхлабване или счупване на болтове, повишавайки общата здравина с 30%-50%. Това означава, че работи безопасно и надеждно, издържа по-дълго от старите модели и избягва често срещани повреди на места с голямо напрежение, като системи за свързване на универсални шарнири на тежки машини.
Плюс това, той може да поеме много по-голямо натоварване - създадохме го, за да поддържа по-големи тежести, така че този SWC универсален съединител за тежък режим на работа е идеален за места, които се нуждаят от трудно боравене с товари, като минна или строителна техника. Той също така пренася мощност супер ефективно, достигайки до 98,6% ефективност на предаване. Като ефективен универсален шарнирен съединител за пренос на голяма мощност, той намалява потреблението на енергия и свързаните с това разходи, което го прави най-добрият избор за енергоспестяващи универсални шарнирни съединителни решения в инсталации за промишлено предаване с висока мощност.
И работи гладко с почти никакъв шум - предаването остава стабилно и шумът обикновено остава между 30-40 dB(A). Този нискошумен универсален съединител поддържа операциите тихи, което е идеално за промишлени места, където шумът е проблем, като същевременно поддържа надеждност на високо ниво.
Raydafon не е просто поредното име в трансмисионните части – ние сме водещ производител и доставчик на високопроизводителни трансмисионни компоненти и решения за промишлени машини и имаме остър фокус върху продукти като съединителя на карданния вал SWC. Започнахме, за да бъдем в крак с това, от което се нуждаят глобалните индустрии, докато се развиват, и с течение на времето изградихме пълна гама: скоростни кутии, задвижващи валове, хидравлични цилиндри, макари, прецизни машинни инструменти – всичко това създадено, за да подобри ефективността на селскостопанските и тежкотоварните сектори. Ние сме големи за иновациите, поради което можем да доставим надежден универсален съединител за тежки условия на работа за операции на валцоване, който се вписва дори в най-сложните системи без проблеми.
Нашите съоръжения също са първокласни - разполагаме с CNC работилници, съоръжения за шлайфане и термична обработка и усъвършенствани 3D системи за измерване. Ние се придържаме към строги стандарти за качество, като ISO9001/TS16949, и тази настройка ни позволява да създаваме решения за свързване на универсални шарнири с висок въртящ момент, които пренасят страхотно въртящия момент и се справят с несъосност като професионалист. Вземете например нашия издръжлив съединител на карданния вал SWC в оборудване за повдигане и обработка на материали – той е създаден за места, които се нуждаят от силна носеща сила. А нашата промишлена универсална съединителна линия? Той обхваща всички видове приложения, където прецизността и здравината са от най-голямо значение.
Осемдесет процента от това, което правим, се изнася - изпраща се на места като САЩ, Германия, Япония, Италия, Малайзия, Австралия и Близкия изток. Имаме силни мрежи в Китай, Южна Корея, Обединеното кралство, Сингапур, САЩ и Испания, така че сме стабилни в световен мащаб. Този обхват ни позволява да предлагаме персонализирани SWC опции за тежкотоварни универсални шарнирни съединители – съобразени точно с това, от което се нуждаят клиентите, като в системите за универсални шарнирни съединители за тежки машини, където оставането стабилно при екстремни натоварвания не подлежи на обсъждане.
Ние се грижим за устойчивостта и предлагаме решения, които поставят клиентите на първо място. Ето защо ние разработваме енергоспестяващи универсални шарнирни съединителни решения, които достигат до 98,6% ефективност на трансмисията - намалявайки потреблението на енергия в инсталации с висока мощност. Независимо дали имате нужда от ефективен универсален шарнирен съединител за пренос на голяма мощност или нискошумен универсален шарнирен съединител за промишлени места, където шумът е проблем, нашите продукти се предлагат с пълно следпродажбено обслужване. Ето как станахме доверен партньор в трансмисионната индустрия – ние не просто продаваме части, ние ги подкрепяме.
Адрес
Индустриална зона Luotuo, област Zhenhai, град Нингбо, Китай
Тел
Електронна поща


+86-574-87168065


Индустриална зона Luotuo, област Zhenhai, град Нингбо, Китай
Copyright © Raydafon Technology Group Co., Limited Всички права запазени.
Links | Sitemap | RSS | XML | Политика за поверителност |
