QR код
Продукти
Свържете се с нас


факс
+86-574-87168065

Електронна поща

Адрес
Индустриална зона Luotuo, област Zhenhai, град Нингбо, Китай
Универсалният съединител SWC-WF на Raydafon без гъвкав фланец е направен само за предаване на висок въртящ момент в тежки машини – помислете за металургично оборудване, кранове, минни системи, всички трудни настройки, които се нуждаят от постоянна мощност. Той има негъвкав дизайн на фланеца, диаметри на въртене, вариращи от 160 mm до 640 mm, и този универсален съединител тип фланец се справя с големи ъглови несъответствия плюс непрекъснати скорости на въртене без проблем, дори когато работите в супер взискателни условия. Ние използваме стомана с висока якост 35CrMo, за да го направим, така че той издържа перфектно на интензивни натоварвания - точно защо е най-добрият избор за универсални съединители за тежки машини и негъвкави универсални съединители за промишлени приложения. Прецизното производство на Raydafon гарантира, че осигурява солидна производителност всеки път, особено за индустрии, които не могат да правят компромис с постоянната доставка на въртящ момент.
Този универсален съединител SWC-WF е създаден да издържи, с твърда фланцова връзка, която прави монтажа лесен в системи като задвижвания за корабостроене и валцоващи мелници – места, където аксиалното движение не е много. Ние следваме стриктно стандартите ISO 9001 и нашата базирана в Китай фабрика използва усъвършенствана обработка плюс строги проверки на качеството, за да направи този издръжлив фланцов универсален съединител. Предлага се в персонализируеми размери, с номинален въртящ момент до 1250 kN·m, така че се вписва точно в персонализирани универсални съединители за металургично оборудване и други тежкотоварни настройки. Raydafon също предлага персонализирани решения на конкурентни цени, помагайки за намаляване на времето за престой и повишаване на надеждността на вашето оборудване.
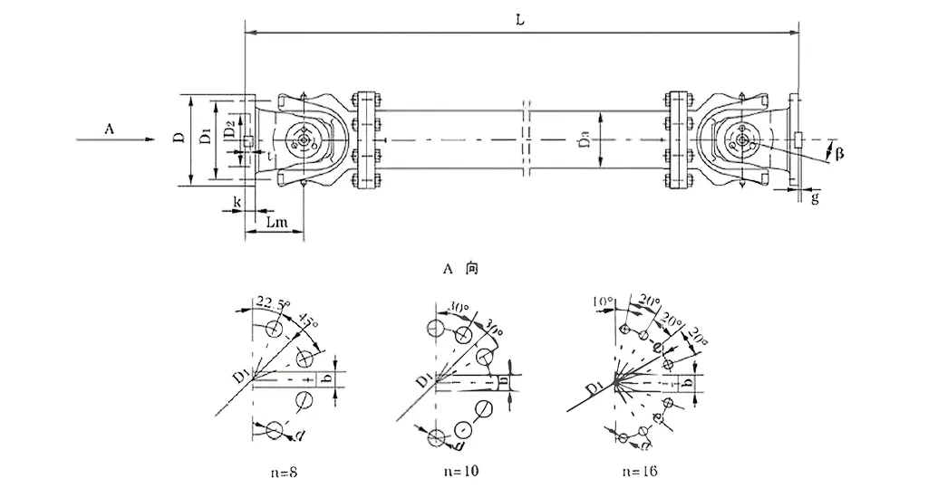
| не | Диаметър на въртене D мм | Номинален въртящ момент Tn KN·m | Ъгъл на сгъване на осите β (°) | Уморен въртящ момент Tf KN·m | Размер (mm) | Въртяща се инерция кг.м2 | Тегло (кг) | |||||||||||
| Lmin | D1 (js11) | D2 (H7) | D3 | Lm | n-d | k | t | b (h9) | g | Lmin | Увеличете 100 мм | Lmin | Увеличете 100 мм | |||||
| SWC285WF | 285 | 90 | 45 | ≤15 | 810 | 245 | 170 | 194 | 160 | 8-21 | 27 | 7 | 40 | 15 | 2.664 | 0.051 | 220 | 6.3 |
| SWC315WF | 315 | 125 | 63 | 915 | 280 | 185 | 219 | 180 | 10-23 | 32 | 8 | 40 | 15 | 4.469 | 0.0795 | 300 | 8.0 | |
| SWC350WF | 350 | 180 | 90 | 980 | 310 | 210 | 267 | 194 | 10-23 | 35 | 8 | 50 | 16 | 7.388 | 0.2219 | 412 | 15.0 | |
| SWC390WF | 390 | 250 | 125 | 1100 | 345 | 235 | 267 | 215 | 10-25 | 40 | 8 | 70 | 18 | 13.184 | 0.2219 | 588 | 15.0 | |
| SWC440WF | 440 | 355 | 180 | 1290 | 390 | 255 | 325 | 260 | 16-28 | 42 | 10 | 80 | 20 | 23.250 | 0.4744 | 880 | 21.7 | |
| SWC490WF | 490 | 500 | 250 | 1360 | 435 | 275 | 325 | 270 | 16-31 | 47 | 12 | 90 | 22.5 | 40.750 | 0.4744 | 1173 | 21.7 | |
| SWC550WF | 550 | 710 | 355 | 1510 | 492 | 320 | 426 | 305 | 16-31 | 50 | 12 | 100 | 22.5 | 68.480 | 1.3570 | 1663 | 34.0 | |
| SWC620WF | 620 | 1000 | 500 | 1690 | 555 | 380 | 426 | 340 | 10-38 | 55 | 12 | 100 | 25 | 127.530 | 1.3570 | 2332 | 34.0 | |
* 1. Tf-при редуващо се натоварване въртящият момент, който позволява според якостта на умора.
* 2. L-инсталационна дължина, която е според изискването.
SWC-WF на Raydafon без универсален шарнирен съединител тип гъвкав фланец – наричан още SWC карданен вал универсален съединител – работи по основна механична идея: той получава въртящ момент от два неколинеарни вала до мястото, където трябва, и се справя също с несъосност. Този универсален шарнирен съединител с висок въртящ момент използва настройка на кръстосани лагери за свързване на фланците в двата края, така че дори когато валовете са изместени с до 25 градуса или имат аксиални/радиални отклонения, той все още премества ротационната мощност гладко.
Сърцето на начина, по който работи, е дизайнът на универсалното съединение - има напречен вал, който действа като шарнир, позволявайки на всеки фланец да се движи сам. По този начин въртящият момент преминава от задвижващия вал към задвижвания вал ефективно и компенсира ъгловите несъответствия, без да натоварва твърде много частите, към които е свързан. Ако се нуждаете от надежден универсален съединител за тежки условия на работа за операции на валцуван цех, твърдата, негъвкава структура на фланеца поддържа нещата стабилни, което е идеално за връзки на къси разстояния в компактни тежки машини.
Това, което отличава функцията му, е, че той няма гъвкави части или функции за разширяване - това го отличава от другите типове и го прави чудесен за места, където аксиалното движение е минимално. Издръжливият съединител на карданния вал SWC, който използваме в оборудването за повдигане и обработка на материали, се основава на този принцип, за да остане балансиран дори при големи натоварвания; той достига ефективност на предаване до 98,6% и не губи много енергия. Този промишлен универсален съединител също така намалява вибрациите благодарение на прецизното движение на лагера, така че работи гладко дори в ситуации на висок стрес—точно като системите за универсално съединяване на тежки машини, които бихте видели при тежки индустриални работни места.
Плюс това, тежкотоварният универсален шарнирен съединител SWC на Raydafon има заварени фланци, за да го направи по-здрав - няма повече притеснения за разхлабване на болтове и повишава общата здравина с 30% до 50%. Като ефективен съединител с универсален шарнир за пренос на големи мощности, той се справя с номинални въртящи моменти от 0,15 до 1000 kN·m и има диаметри на въртене от φ58 до φ620 — което го прави най-добрият избор за енергоспестяващи решения за съединяване на универсален шарнир във взискателни индустриални трансмисии. И с поддържан шум между 30-40 dB(A), този нискошумен универсален шарнирен съединител работи тихо, което е идеално за промишлени места, където шумът е проблем, като същевременно поддържа високи стандарти за надеждност.
SWC карданният съединител на Raydafon – често наричан SWC карданен вал – не е просто обикновена част; той е задължителен за тежкотоварни промишлени инсталации, като валцовани мелници, подемни машини и всякакви системи за здрави тежки машини. Като универсален шарнирен съединител с висок въртящ момент, той върши солидна работа, свързвайки два трансмисионни вала, които не са подредени перфектно, като гарантира, че мощността продължава да тече дори когато условията на работа станат тежки.
Нека поговорим за основните му характеристики: диаметърът на въртене варира от φ58 до φ620, номиналният въртящ момент е от 0,15 до 1000 kN·m, а ъгълът на сгъване на оста е не повече от 25°.
Този продукт наистина блести в специфични сценарии – например, когато имате нужда от надежден универсален шарнирен съединител за тежки условия за операции на валцова мелница или издръжлив SWC универсален шарнирен съединител в оборудване за повдигане и обработка на материали. В тези случаи той доказва своята стойност, като поддържа операциите стабилни, дори когато се занимава с големи натоварвания.
Универсалният съединител SWC на Raydafon не е създаден само за функция – той е проектиран с интелигентен дизайн, за да издържи в индустриална употреба и да продължи да работи добре в дългосрочен план. Нека разбием какво прави структурата му да се откроява.
Първо, той има разумна и безопасна конфигурация: използвахме интегриран дизайн на вилица за този промишлен универсален съединител, който намалява рисковете като разхлабване или счупване на болтове. Само това повишава неговата структурна цялост с 30%-50%, така че работи безопасно и надеждно. В сравнение с обикновените съединители, той издържа по-дълго и избягва обичайните повреди в места с голямо напрежение - като системите за съединяване на универсални шарнири за тежки машини, които виждате при тежки работни места.
След това има подобрена товароподемност: този тежкотоварен универсален шарнирен съединител SWC е направен да се справя с големи тежести, така че е задължителен на места, които се нуждаят от първокласно управление на натоварването, като минни или строителни машини.
Той също така осигурява висока ефективност на предаване - достига до 98,6%. Като ефикасен универсален шарнирен съединител за пренос на голяма мощност, той намалява потреблението на енергия и разходите, свързани с това. Ето защо това е най-добрият избор за енергоспестяващи решения за свързване на универсални шарнири в инсталации за промишлена трансмисия с висока мощност.
И работи гладко с нисък шум: поддържа предаването стабилно и шумът обикновено остава между 30-40 dB(A). Този нискошумен универсален шарнирен съединител гарантира, че операциите остават тихи, което е идеално за места, където шумът е проблем - като същевременно поддържа надеждност на високо ниво.
⭐⭐⭐⭐⭐ Чен Лианг, производствен инженер, Zhejiang Machinery Co., Ltd.
Поставихме универсалния съединител SWC-WF без гъвкав фланец на Raydafon на една от нашите производствени линии и досега работи отлично. Структурата е проста, но здрава – инсталирането й беше лесно, без сложни стъпки. След като бъде настроен, той работи гладко, няма нужда от допълнителни настройки. Дори когато товарът е тежък, това свързване остава надеждно, което означава, че можем да поддържаме машините да работят дълги часове, без да се тревожим твърде много – определено ни дава повече спокойствие.
⭐⭐⭐⭐⭐ Сун Мей, Супервайзер по покупките, Hebei Steel Co., Ltd.
Нашата компания купи няколко универсални съединителя SWC-WF без тип гъвкав фланец от Raydafon и първо, доставката беше точно навреме и опаковката също беше внимателна - без никакви повреди. Това, което наистина се откроява за мен, е това, което каза екипът на сервиза: те ми казаха, че съединителите са лесни за инсталиране и когато ги използвам, се чувстват наистина здрави. Плюс това, в сравнение с други доставчици, цената тук е справедлива. Като цяло, ние сме наистина доволни от тази покупка.
⭐⭐⭐⭐⭐ Guo Jun, мениджър поддръжка, Liaoning Heavy Industry Group
Моята работа е да поддържам нашите машини работещи и се опитвам да намаля времето за престой, доколкото мога. Откакто започнахме да използваме SWC-WF на Raydafon без универсален съединител с гъвкав фланец, забелязах голяма разлика - по-малко износване на частта и много по-малко проблеми по време на работа. Дизайнът е здрав и не се нуждае от много поддръжка. Това ни спестява време и пари и се оказа супер надеждна част за нашето оборудване.
Raydafon е ключово дъщерно дружество на EVER-POWER Group Co., Ltd.—ние не сме просто доставчик, а добър доставчик на висококачествени трансмисионни компоненти и промишлени решения и поставяме голям фокус върху иновативни продукти като карданния вал SWC. Откакто започнахме, ние сме изцяло свързани с напредването на технологиите и растежа на световните пазари; ние не се спряхме на продажбата на единични компоненти - сега създаваме цялостни системни решения, които отговарят идеално на нуждите на селското стопанство и тежкотоварната промишленост. Нашето ноу-хау в задвижващите валове и трансмисионните продукти означава, че клиентите, които се нуждаят от надеждно тежкотоварно универсално съединение за операции на валцоване (и други трудни задачи), могат да разчитат на нас като на солиден партньор.
В Raydafon ние произвеждаме широка гама от продукти: скоростни кутии, задвижващи валове, хидравлични цилиндри, ролки и дори усъвършенствани машинни инструменти като CNC стругове и фрезови машини. Нашите решения за универсален шарнирен съединител с висок въртящ момент – вземете например серията SWC – са създадени да се справят със строгите изисквания на индустриите, които се нуждаят от издръжлив SWC универсален шарнирен съединител в оборудването за повдигане и обработка на материали. Разполагаме и с усъвършенствани съоръжения: CNC работилници, машини за шлайфане и термична обработка, инструменти за 3D измерване – всичко това, за да се придържаме към стандартите ISO9001/TS16949, така че всеки промишлен универсален съединител, който произвеждаме, е с най-високо качество и прецизност.
Ние продаваме 80% от нашите продукти в чужбина, на пазари като САЩ, Германия, Япония, Италия, Малайзия, Австралия и Близкия изток. И ние имаме силна мрежа на места като Китай, Южна Корея, Обединеното кралство, Сингапур, САЩ и Испания, за да подкрепяме това. Този глобален обхват ни позволява да създаваме персонализирани решения, като тежкотоварния универсален шарнирен съединител SWC – проектиран за системи за универсално съединяване на тежки машини, които трябва да се справят с големи натоварвания и да издържат дълго време.
Нашите приоритети са иновациите и доволните клиенти. Ние предлагаме енергоспестяващи универсални шарнирни съединителни решения, които достигат до 98,6% ефективност на предаване, намалявайки оперативните разходи за настройки с висока мощност. Независимо дали имате нужда от ефективен универсален шарнирен съединител за пренос на голяма мощност или нискошумен универсален шарнирен съединител за места, където шумът има значение, нашите продукти се предлагат с професионално следпродажбено обслужване – и ние сме посветени да правим нещата правилно. Ето защо Raydafon е най-добрият избор за всички ваши нужди от предаване.
Адрес
Индустриална зона Luotuo, област Zhenhai, град Нингбо, Китай
Тел
Електронна поща


+86-574-87168065


Индустриална зона Luotuo, област Zhenhai, град Нингбо, Китай
Copyright © Raydafon Technology Group Co., Limited Всички права запазени.
Links | Sitemap | RSS | XML | Политика за поверителност |
