QR код
Продукти
Свържете се с нас


факс
+86-574-87168065

Електронна поща

Адрес
Индустриална зона Luotuo, област Zhenhai, град Нингбо, Китай
Универсалният съединител за късо гъвкаво заваряване на Raydafon SWC-DH е създаден за свързване на неправилно подравнени валове в тежкотоварни съоръжения – помислете за валцови мелници, подемници и машини за обработка на стомана. Това е компактен къс гъвкав универсален съединител с диаметър на въртене, който варира от 45 mm до 390 mm. Дори когато валовете са изключени с до 25 градуса (ъглова несъосност), той все още премества въртящия момент ефективно - максимум при 1000 kN·m, което отговаря точно на нуждите от мощност на тежкото оборудване.
Изработваме го от високоякостна стомана 35CrMo и добавяме четири иглени лагера, така че да издържа на големи натоварвания. Ето защо това е солиден избор за универсални съединители за промишлени машини и работи чудесно като заварени универсални съединители за тежко оборудване на места, където товарите остават високи без прекъсване. Неговият дизайн с къса гъвкавост е перфектен и за машини с малко място за аксиално движение - дава стабилно фиксиране на трансмисията за тежки индустриални пространства.
Raydafon е базиран в Китай производител със сертификат ISO 9001, така че ние се придържаме към строги правила за качество за всеки универсален съединител SWC-DH. Напречният вал получава хромирана плоча за борба с корозията, така че издържа дори когато условията са тежки. Завареният хомут също прави монтажа по-лесен – просто подредете правилно валовете и ще работи по най-добрия начин. Ще го намерите на съоръжения в металургията, минното дело и кранови системи, няма проблем.
Освен това този съединител се предлага в различни размери и стойности на въртящия момент. Ако имате нужда от персонализиран универсален съединител за промишлени машини - да речем, за комбайни или други специфични съоръжения - ние можем да го приспособим към вашите нужди и цената остава конкурентна. Разполагаме с производственото ноу-хау, за да направим това късо гъвкаво съединение да намали времето за престой на оборудването, така че вашите машини да работят по-надеждно като цяло.
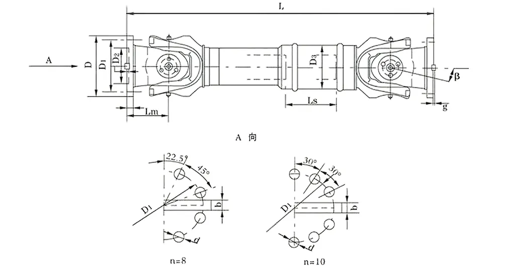
| не | Диаметър на въртене D мм | Номинален въртящ момент Tn KN·m | Ъгъл на сгъване на осите β (°) | Уморен въртящ момент Tf KN·m | Гъвкаво количество Ls мм | Размер (mm) | Въртяща се инерция кг.м2 | Тегло (кг) | |||||||||||
| Lmin | D1 (js11) | D2 (H7) | D3 | Lm | n-d | k | t | b (h9) | g | Lmin | Увеличете 100 мм | Lmin | Увеличете 100 мм | ||||||
| SWC180DH1 | 180 | 20 | 10 | ≤25 | 75 | 650 | 155 | 105 | 114 | 110 | 8-17 | 17 | 5 | - | - | 0.165 | 0.0070 | 58 | 2.8 |
| SWC180DH2 | 55 | 600 | 0.162 | 56 | |||||||||||||||
| SWC180DH3 | 40 | 550 | 0.160 | 52 | |||||||||||||||
| SWC225DH1 | 225 | 40 | 20 | ≤15 | 85 | 710 | 196 | 135 | 152 | 120 | 20 | 5 | 32 | 9.0 | 0.415 | 0.0234 | 95 | 4.9 | |
| SWC225DH2 | 70 | 640 | 0.397 | 92 | |||||||||||||||
| SWC250DH1 | 250 | 63 | 31.5 | ≤15 | 100 | 795 | 218 | 150 | 168 | 140 | 8-19 | 25 | 6 | 40 | 12.5 | 0.900 | 0.0277 | 148 | 5.3 |
| SWC250DH2 | 70 | 735 | 0.885 | 136 | |||||||||||||||
| SWC285DH1 | 285 | 90 | 45 | ≤15 | 120 | 950 | 245 | 170 | 194 | 160 | 8-21 | 27 | 7 | 40 | 15.0 | 1.876 | 0.0510 | 229 | 6.3 |
| SWC285DH2 | 80 | 880 | 1.801 | 221 | |||||||||||||||
| SWC315DH1 | 315 | 125 | 63 | ≤15 | 130 | 1070 | 280 | 185 | 219 | 180 | 10-23 | 32 | 8 | 40 | 15.0 | 3.331 | 0.0795 | 346 | 8.0 |
| SWC315DH2 | 90 | 980 | 3.163 | 334 | |||||||||||||||
| SWC350DH1 | 350 | 180 | 90 | ≤15 | 140 | 1170 | 310 | 210 | 267 | 194 | 10-23 | 35 | 8 | 50 | 16.0 | 6.215 | 0..2219 | 508 | 15.0 |
| SWC350DH2 | 90 | 1070 | 5.824 | 485 | |||||||||||||||
| SWC390DH1 | 390 | 250 | 125 | ≤15 | 150 | 1300 | 345 | 235 | 267 | 215 | 10-25 | 40 | 8 | 70 | 18.0 | 11.125 | 0.2219 | 655 | |
| SWC390DH2 | 90 | 1200 | 10.763 | 600 | |||||||||||||||
* 1. Tf-при редуващо се натоварване въртящият момент, който позволява според якостта на умора. * 2. Lmin-най-малката дължина след разреза. * 3. L-инсталационна дължина, която е според изискването
SWC универсалният шарнирен съединител, често наричан SWC универсален шарнирен съединител на карданния вал, е ключов компонент в тежки промишлени сценарии. Той е незаменим за валцови мелници, повдигащи машини и различни големи тежки машинни системи. Като универсален шарнирен съединител с висок въртящ момент, той може ефективно да свързва два трансмисионни вала с несъвпадащи оси, осигурявайки непрекъснато предаване на мощност дори при сложни и тежки работни условия.
Основните технически параметри на този съединител са както следва:
Диаметър на въртене: φ58 - φ620
Номинален въртящ момент: 0,15 - 1000 kN·m
Ъгъл на сгъване на оста: ≤25°
При практически приложения се представя изключително добре. Например, по време на операции на валцова мелница, когато е необходим надежден универсален шарнирен съединител за тежки условия, предназначен за валцовани мелници, или в оборудване за повдигане и обработка на материали, когато е необходим издръжлив SWC универсален шарнирен съединител, този продукт е напълно компетентен. Дори при големи натоварвания той може стабилно да поддържа работоспособността на оборудването.
Универсалният съединител SWC е проектиран с помощта на усъвършенствани инженерни принципи, осигуряващи изключителна производителност и по-дълъг експлоатационен живот в индустриална среда. Основните му структурни характеристики са следните:
Разумна и безопасна структура: Отличаващ се с интегриран дизайн на вилица, този промишлен универсален съединител намалява риска от разхлабване или счупване на болта, увеличавайки здравината на конструкцията с 30%-50%. Този дизайн осигурява безопасна и надеждна работа, удължава експлоатационния живот в сравнение с традиционните модели и предотвратява често срещани повреди при сценарии с високо налягане, като например системи за свързване на универсални съединения на тежки машини.
Подобрена товароподемност: SWC тежкотоварният универсален шарнирен съединител е специално проектиран да понася тежки товари, което го прави от съществено значение в сценарии, изискващи отлично управление на натоварването, като минни или строителни машини.
Висока ефективност на трансмисията: С ефективност до 98,6%, този ефективен универсален шарнирен съединител за високомощно предаване значително намалява потреблението на енергия и свързаните с това разходи, което го прави първият избор за енергоспестяващи универсални шарнирни съединителни решения в мощни индустриални трансмисионни системи.
Стабилна работа с нисък шум: Този нискошумен универсален шарнирен съединител работи стабилно с нива на шум обикновено между 30-40 dB(A), осигурявайки тиха работа. Той е идеален за чувствителни към шум среди, като същевременно поддържа висока надеждност.
Универсалните шарнирни съединители, особено съединителят на карданния вал SWC, се превърнаха в незаменими трансмисионни компоненти в промишлени приложения поради изключителните си предимства. Те могат да отговорят на основните нужди с представянето си в области като тежки машини, прецизно производство и пренос на енергия. По-долу е даден подробен анализ на основните им предимства:
1. Силно предаване на въртящия момент и отлична компенсация на несъответствието
Като универсален съединител с висок въртящ момент, той може стабилно да предава натоварвания с висока мощност. Дори в сценарии, при които разминаване на валовете се случва често по време на операции на валцоващ стан – като аксиално изместване, причинено от износване на ролката и температурни промени по време на валцуване на стомана – този надежден универсален съединител за тежки условия на работа за операции на валцоващ стан може да се справи с лекота. Той може едновременно да компенсира ъглови, аксиални и радиални несъосности с максимално ъглово несъосване до 25 градуса. Тази отлична адаптивност към несъосност предотвратява задръствания на трансмисията, причинени от несъосност на вала, осигурява непрекъснато и стабилно захранване, значително намалява вероятността от механични повреди при екстремни работни условия и гарантира непрекъсната работа на производствените линии.
2. Висока издръжливост и по-дълъг експлоатационен живот
Дизайнът и изборът на материали на SWC универсалните съединители са съсредоточени върху "издържане на тежки натоварвания и тежки условия". Основното тяло е направено от високоякостна легирана стомана, комбинирана с интегрирана структура на главата на вилицата, която значително намалява често срещаните точки на повреда, като разхлабване на болтове и счупване на компоненти. Вземайки за пример издръжливия съединител на карданния вал SWC, използван в оборудването за повдигане и обработка на материали, той може да издържи на моментния ударен товар при повдигане на тежки предмети и да поддържа стабилна работа в тежки среди като прах и високи температури. В сравнение с традиционните съединители с разделена структура, този индустриален универсален съединител има обща якост, увеличена с 30%-50%, което не само намалява честотата на ежедневната поддръжка, но също така удължава експлоатационния живот с 2-3 години. Той е особено подходящ за дългосрочни нужди от работа при високо натоварване на системи за свързване на универсални шарнири за тежки машини.
3. Висока ефективност на предаване и значителен енергоспестяващ ефект
Тестовете показват, че ефективността на трансмисията на тежкотоварния универсален шарнирен съединител SWC е до 98,6%, което има очевидни предимства при сценарии за промишлено предаване с висока мощност - като вентилатори на доменни пещи в стоманодобивни заводи и системи за транспортиране на въглища в електроцентрали. За оборудване, което изисква непрекъснато предаване на висока мощност, съчетаването с този ефективен универсален шарнирен съединител за голямо предаване на мощност може да минимизира загубата на мощност. За предприятията, търсещи енергоспестяващи универсални съединителни решения, тази висока ефективност може директно да се превърне в разходни предимства: като вземем за пример промишлен двигател с мощност 1500kW, той може да спести повече от 12 000 юана разходи за електроенергия годишно и може да помогне на предприятията да намалят значителни оперативни разходи при дългосрочна употреба, като същевременно се съобразяват с тенденциите за пестене на енергия и намаляване на потреблението в индустриалната област.
4. Стабилна и тиха работа, подходяща за множество сценарии
Чрез оптимизиране на точността на прилягане на лагера и използване на смазочна грес с нисък коефициент на триене, работният шум на този нискошумен универсален съединител е стриктно контролиран на 30-40 dB(A), което е еквивалентно на нивото на околния шум в ежедневен офис и напълно отговаря на стандартите за шумови емисии на индустриални обекти. В чувствителни към шум сценарии — като производствени линии в хранително-вкусови предприятия и транспортно оборудване за прецизни електронни компоненти — той може не само да гарантира стабилността и надеждността на преносната система, но също така да избегне въздействие върху околната среда в цеха или работния опит на служителите поради шум. В същото време стабилните характеристики на трансмисията могат също така да намалят износването на околните компоненти, причинено от вибрациите на оборудването, като допълнително подобряват работната стабилност и експлоатационния живот на цялата производствена система.
Универсалният съединител за късо гъвкаво заваряване SWC-DH, често наричан съединител за универсален шарнир на карданния вал SWC, се използва главно в сценарии с тежки машини, като валцовани мелници и подемници. Този тип оборудване има изключително високи изисквания за структурна компактност и гъвкавост - само чрез спазването на тези две точки може да се постигне ефективна работа, а това съединяване напълно отговаря на тези нужди. Като съединител с универсален шарнир с висок въртящ момент, той може ефективно да свърже два трансмисионни вала с несъвпадащи оси, осигурявайки безпроблемно предаване на мощността дори в тежки промишлени среди, които изискват прецизна компенсация за несъосност на системата на вала.
При практически приложения, независимо дали е необходим надежден тежкотоварен универсален съединител за операции на валцова мелница по време на работа на валцова мелница или е необходим издръжлив SWC универсален съединител на вал в оборудване за повдигане и обработка на материали, този продукт може да работи отлично - той може да поддържа стабилна работа на оборудването дори при екстремни натоварвания. Неговото предимство за адаптивност е особено важно при компактни оформления на оборудването, където пространството е ограничено и се изисква къса гъвкава структура.
Този промишлен универсален съединител SWC-DH е създаден с модерна инженерна технология и е оптимизиран за производителност и експлоатационен живот специално за промишлени сценарии. Неговата основна структурна характеристика се крие в неговия разумен и безопасен дизайн: интегрираната структура на главата на вилицата фундаментално елиминира скритите опасности от разхлабване или счупване на болта, увеличавайки общата здравина с 30%-50%. Този дизайн не само гарантира безопасността и надеждността на работа, но също така удължава експлоатационния живот в сравнение с традиционните модели, като същевременно се избягват често срещани проблеми с повреда в сценарии на приложение с голямо напрежение, като например универсални съединителни системи за тежки машини.
В допълнение, товароносимостта му е подобрена чрез дизайн, за да издържа на по-големи тежести, така че този тежкотоварен универсален съединител SWC е много подходящ за сценарии със строги изисквания за товароносимост, като минни машини и строително оборудване. По отношение на ефективността на предаване тя достига до 98,6%. Като ефективен универсален съединител за пренос на големи мощности, той може значително да намали потреблението на енергия и разходите за електроенергия, което го прави предпочитан продукт за енергоспестяващи решения за универсален съединител в областта на промишленото предаване с висока мощност.
И накрая, този съединител се отличава със стабилно предаване, като шумът при работа обикновено се контролира на 30-40 dB(A), което го прави съединител с универсален шарнир с ниско ниво на шум. Тази характеристика му позволява да работи тихо дори в чувствителни към шум индустриални сценарии, като същевременно поддържа висока надеждност по всяко време.
⭐⭐⭐⭐⭐ Уанг Лей, инженер по проекта, Guangdong Heavy Machinery Co., Ltd.
Ние използваме универсалния съединител SWC-DH Short Flex Welding Type на Raydafon в нашите тежки машини от известно време и това беше приятна изненада - особено когато става въпрос за монтиране в тесни места. Нашето оборудване има доста ограничено пространство за трансмисионни части, но компактният дизайн на този съединител пасва като ръкавица, няма нужда да пренареждате други компоненти, само за да работи.
Още по-добре е, че не жертва производителността заради размера. Той все още осигурява силно, стабилно предаване на въртящия момент - критично за нашите тежкотоварни операции. Пускаме го непрекъснато в продължение на седмици и няма необичайни вибрации; цялата система остава гладка. Качеството на заваряване също е друг акцент - можете да кажете, че е солидно само като го погледнете, което ни дава пълна увереност, че ще издържи на продължителна тежка употреба. За съединител, който балансира спестяващ място дизайн и надеждност, този е победител.
⭐⭐⭐⭐⭐ Джао Минг, мениджър доставки, Tianjin Steel Equipment Co., Ltd.
Наскоро поръчахме няколко съединителя SWC-DH от Raydafon и трябва да кажа, че целият процес на доставка беше лек – без главоболия, без забавяния. От момента, в който изпратихме поръчката, екипът им реагира отзивчиво и доставката се появи точно на планираната дата, което е голям плюс за поддържане на производството ни в правилния план. Опаковката също беше първокласна: всеки съединител беше здраво опакован, без вдлъбнатини или повреди по време на транспортиране - просто готов за разопаковане и инсталиране.
Нашият технически екип се зае с настройката и те веднага споменаха колко лесно е монтирането. Без сложни стъпки, няма нужда да търсите специални инструменти – те го монтираха бързо и оттогава работи надеждно. Когато вземете предвид разумната цена, съчетана с това постоянно представяне, е ясно, че това свързване предлага голяма стойност. Вече планираме да го запазим в редовния ни списък за доставки; това е вид продукт, който улеснява работата ми като купувач.
⭐⭐⭐⭐⭐ Лиу Хонг, директор по поддръжката, индустриална група Shandong
Като човек, който контролира поддръжката на оборудването, най-големият ми приоритет е намаляването на времето за престой и времето, което екипът ми изразходва за обслужване на части. Съединителят SWC-DH на Raydafon проверява идеално и двете кутии. Използваме го в оборудване, което ежедневно работи под тежки работни натоварвания, и никога не се подхлъзва или измества - остава стабилно на място, без разхлабени връзки. Дори след месеци на употреба почти няма признаци на износване, което е огромен контраст с други съединители, които сме използвали преди.
С тези по-стари съединители винаги планирахме бързи поправки или подмяна на части, което отнемаше време за производство и увеличаваше разходите. този? Ние почти не го докосваме — без често обслужване, без неочаквани повреди. Той ни спести толкова много време и пари за поддръжка и просто продължава да върши работата си надеждно. В наши дни това се превърна в основен компонент в ежедневните ни операции; Не е нужно да се притеснявам, че ще се провали, което ми позволява да се съсредоточа върху други приоритети. Това е точно онази надеждна част, от която се нуждае всеки екип по поддръжката.
Адрес
Индустриална зона Luotuo, област Zhenhai, град Нингбо, Китай
Тел
Електронна поща


+86-574-87168065


Индустриална зона Luotuo, област Zhenhai, град Нингбо, Китай
Copyright © Raydafon Technology Group Co., Limited Всички права запазени.
Links | Sitemap | RSS | XML | Политика за поверителност |
