QR код
Продукти
Свържете се с нас


факс
+86-574-87168065

Електронна поща

Адрес
Индустриална зона Luotuo, област Zhenhai, град Нингбо, Китай
Ако имате работа с машини като помпи, които движат течности през целия ден, вентилатори, които поддържат помещенията вентилирани, или текстилно оборудване, което работи без прекъсване – имате нужда от съединител, който е достатъчно гъвкав, за да се справи с малки несъосности, но достатъчно здрав, за да поддържа въртящия момент стабилен. Точно за това е създаден найлоновият гъвкав съединител тип NL на Raydafon. Той се справя с до 4 мм аксиално несъосие и 2 градуса ъглово несъосие, така че дори когато вашите валове не са идеално подредени, той поддържа вашето оборудване да работи без проблеми.
Имаме модели от NL1 до NL10, така че е подходящ за почти всяка лека до средна работа. Капацитетът на въртящия момент варира от 40 N·m до 3150 N·m, а диаметрите на отвора варират от 6 mm до 100 mm – няма нужда да търсите размер, който е твърде голям или твърде малък. Това, което отличава този найлонов гъвкав съединител, е неговата конструкция: найлонова втулка с висока якост, съчетана със стоманени главини. Тази комбинация означава, че работи тихо и почти не трябва да го докосвате за поддръжка – без постоянни проверки или поправки, които да ви забавят. Това е предпочитание за гъвкави съединители на зъбни колела за промишлени машини и ако работите специално с помпи, това е един от най-надеждните съединители с найлонови втулки за зъбни колела за помпи. Плюс това, компактният му дизайн се вписва в тесни настройки и работи безпроблемно между -20°C и +70°C—без значение дали работното ви пространство е хладно или топло.
В Raydafon произвеждаме тези съединители в Китай и се придържаме стриктно към стандартите ISO 9001 – всяка част се проверява, за да се уверим, че е издръжлива и готова да издържи. Найлоновият ръкав е не само здрав, но и непроводим и устойчив на корозия. Това променя играта за влажни пространства или зони с химикали, където други съединители могат да ръждясват или да дадат на късо - този продължава да работи по-дълго. А простата му структура прави монтажа и демонтажа лесно: без сложни инструменти, само бърза работа, когато трябва да го смените или да извършите поддръжка. Ето защо това е най-добрият избор за персонализирани найлонови съединители за зъбни колела – ние можем да го настроим, за да пасне на вашата специфична настройка – и това е един от най-издръжливите гъвкави съединители за зъбни колела за текстилно оборудване, издържащ на постоянното движение на тъкачни или предачни машини.
Ние предлагаме всички видове размери и конфигурации на валове, така че да получите съединител, който е съобразен с вашата машина, а не универсален вариант. И ние поддържаме цената конкурентна, така че не е нужно да харчите излишно за качество. За фирмите по целия свят това означава по-малко време на престой (тъй като е лесно за инсталиране и поддръжка) и по-добра ефективност на оборудването – точно това, от което се нуждаете, за да поддържате операциите си гладки.
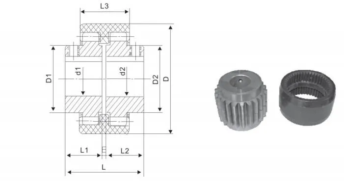
Основната работна логика на гъвкавия съединител на найлоново зъбно колело тип NL разчита на зацепващите зъби на зъбното колело за постигане на предаване на въртящия момент, докато найлоновата втулка вътре, като ключов гъвкав компонент, може не само ефективно да компенсира несъосността на системата на валовете, но също така играе важна роля в абсорбирането на удари. В този структурен дизайн две главини с външни зъби са свързани чрез вградена найлонова вътрешна втулка на зъбно колело. Тази комбинация не само осигурява ефективно предаване на мощността в механичните системи, но също така значително намалява вибрациите и ударите, генерирани по време на работа. Това конструктивно предимство е особено очевидно в случаите на приложение на найлонови гъвкави съединители тип NL, които трябва да бъдат адаптирани към малко и средно оборудване.
Когато задвижващият вал предава въртящ момент към една от главините, външните зъби на главината точно ще се зацепят с вътрешните зъби на найлоновата вътрешна втулка на зъбното колело и след това найлоновата втулка на вътрешното зъбно колело плавно ще предава мощността към другата главина, свързана към задвижвания вал. Дори при работни условия, при които има ъглово, паралелно или аксиално отклонение в системата на вала, този механизъм за зацепване на предаване може да осигури стабилна работа на оборудването. Ето защо, в области, които изискват надеждни гъвкави решения за съединяване на зъбни колела, като трансмисионни системи на автоматизирани производствени линии, захранващо свързване на помпено оборудване и задвижващи устройства на конвейери, найлоновият гъвкав съединител за зъбни колела тип NL е предпочитан продукт.
Найлоновият материал, използван в найлоновия гъвкав съединител тип NL, сам по себе си има отлични еластични и амортизиращи свойства, които могат не само да намалят износването на свързаното към него механично оборудване, но и да удължат експлоатационния живот на цялата трансмисионна система. Като професионален производител на зъбни съединители, Raydafon избира усъвършенствани материали и оптимизира производствения процес при производството на съединители тип NL, позволявайки на продуктите да поддържат отлична производителност при сложни работни условия в различни индустрии. Например, в сценарии, които се занимават с променливи натоварвания, гъвкавият съединител с найлонови зъбни колела тип NL, произведен от Raydafon може да разчита на отличната си способност за компенсиране на несъосност, за да се избегнат повреди на трансмисията, причинени от несъосност на системата на вала, и да се намали времето за престой на оборудването.
За да се запази найлоновият гъвкав съединител тип NL, поддържащ стабилна работна ефективност, ежедневната поддръжка е от съществено значение, сред която редовното смазване на зъбните части на зъбното колело е ключова връзка. Разумното смазване може да намали загубите от триене по време на зацепването на зъбите на предавките, допълнително да подобри стабилността на работа на съединителя и да намали вероятността от повреди. Като цяло принципът на работа на найлоновия гъвкав съединител тип NL е да се постигне силно предаване на въртящия момент, като същевременно се вземат предвид гъвкавостта и стабилността на трансмисионната система чрез синергичния ефект на твърдата главина и гъвкавата найлонова втулка. Като опитен доставчик на зъбни съединители, Raydafon винаги контролира прецизността и надеждността на продуктите в строги стандарти, за да гарантира предоставянето на клиенти в различни индустрии на NL тип найлонови зъбни гъвкави съединителни продукти със силна адаптивност и висока издръжливост.
Найлоновият гъвкав съединител тип NL е специално проектиран за приложения с висока производителност при взискателни механични сценарии. Осигурява стабилно предаване на мощността, като същевременно гъвкаво приспособява несъосностите на валовете, което го прави изключително конкурентен вариант в категорията на съединителите с найлонови втулки. Ключов акцент в дизайна на този съединител се крие в неговата високоякостна найлонова втулка, която не само придава на съединителя отлична способност за еластична деформация, но също така значително подобрява издръжливостта на цялостната структура. Това го прави особено подходящ като критичен гъвкав съединителен компонент от найлонова втулка в индустриално оборудване, което работи за продължителни периоди.
По отношение на капацитета за предаване на въртящ момент, NL тип Nylon Gear гъвкав съединител осигурява изключителна производителност, като лесно се справя с изискванията за натоварване с висок въртящ момент. Независимо дали в тежкотоварни машини, минни машини или широкомащабно конвейерно оборудване - всички от които изискват висока надеждност при предаване на енергия - той работи стабилно, утвърждавайки се като предпочитан модел найлонов съединител с висок въртящ момент за множество работни условия с висок въртящ момент. При справянето с често срещания проблем с разместването на вала по време на механична работа, този гъвкав найлонов зъбен съединител също демонстрира отлична адаптивност. Той може ефективно да абсорбира и компенсира ъглова несъосност, паралелна несъосност и аксиална несъосност, като по този начин значително намалява допълнителното напрежение върху свързаните валове и спомага за удължаване на експлоатационния живот на цялата трансмисионна система. Тази характеристика е особено важна за производствено оборудване, което изисква продължителна непрекъсната работа.
Освен това, найлоновият материал на NL Type Nylon Gear гъвкав съединител по своята същност притежава отлични свойства за поглъщане на удари и буфериране. По време на работа на оборудването може ефективно да намали въздействието на вибрациите и ударите, като гарантира по-плавна работа на преносната система. Следователно, при динамични работни условия с чести вибрации, той се превърна в предпочитаното решение за найлонов съединител за абсорбиране на удари за много предприятия. По отношение на устойчивостта на корозия, в допълнение към отличната устойчивост на химическа корозия на найлоновия ръкав, металните компоненти на този съединител са подложени на специална обработка, което позволява стабилна работа във влажна, прашна или леко корозивна среда. В сравнение с традиционните твърди съединители, той показва по-добра адаптивност при тежки условия на работа, като напълно отговаря на изискванията на индустриалния сектор за издръжливи найлонови съединители.
От гледна точка на експлоатацията и поддръжката, гъвкавият съединител с найлонови зъбни колела тип NL приема дизайн, който не изисква поддръжка. Той елиминира необходимостта от често добавяне или корекции на смазка, което не само намалява натоварването на ежедневната поддръжка, но също така намалява риска от повреди на оборудването, причинени от неправилна поддръжка. Това ефективно контролира оперативните разходи и времето за престой, перфектно съобразявайки се с критериите за подбор на индустриите, преследващи ефективно и ниско потребление производство за гъвкави съединители с ниска поддръжка. Междувременно цялостната му структура е лека и компактна, улесняваща лесен и бърз монтаж и демонтаж. Дори при разположение на оборудването с ограничено пространство, сглобяването на този компактен найлонов зъбен съединител може лесно да бъде завършено, което допълнително подобрява ефективността на инсталирането и поддръжката на оборудването.
В обобщение, интегрирането на NL тип Nylon Gear гъвкав съединител в трансмисионна система осигурява по-стабилна и ефективна оперативна поддръжка на оборудването. Особено в областта на прецизното производство, където се изисква високопрецизно предаване, този високоефективен съединител с найлонова втулка — със своя оптимизиран дизайн — напълно отговаря на множеството изисквания за точност, надеждност и адаптивност на предаването, служейки като жизненоважен компонент за подобряване на цялостната производителност на оборудването.
Гъвкавият съединител с найлоново зъбно колело тип NL работи като основна трансмисионна част за всички видове механични настройки, които се нуждаят от стабилен трансфер на мощност. Това, което го отличава, е найлоновият маншон - той се огъва точно, за да поеме вибрациите и да коригира малки несъосности на вала, така че е идеален за всяко използване на съединител на зъбни колела, където имате нужда от надеждно движение на въртящия момент без частите да се износват твърде бързо.
Вземете например индустриални машини. Този съединител е чудесен за свързване на двигатели към помпи или компресори. Когато тези машини работят, те често изпращат внезапни шокови натоварвания през системата, но гъвкавият съединител с найлоново зъбно колело тип NL облекчава това въздействие, като помага на цялата настройка да издържи по-дълго. И на конвейерни линии - знаете, тези, които преместват материали без прекъсване във фабриките - този индустриален съединител с найлонова втулка поддържа нещата гладки дори когато товарът се променя. За разлика от старите твърди съединители, които често се развалят, този намалява времето за престой и парите, които харчите, за да поправите нещата.
Светът на автомобилите и транспорта също го използва, особено за задвижващи валове и кормилни части. Автомобилите и камионите трябва да се справят с много усукващи вибрации, когато се движат, но този гъвкав зъбен съединител за автомобилни задвижвания ги поглъща. Това не само прави превозното средство да работи по-добре, но и по-безопасно - без странни трептения, които изхвърлят кормилното управление или износват задвижващия механизъм.
Когато става въпрос за използване на прецизни съединителни зъбни колела, като машини с ЦПУ или индустриални роботи, този съединител наистина блести. Тези машини се въртят бързо и се нуждаят от супер прецизно движение, но дори малки несъосности на валовете (като ъгли или паралелни смени) могат да объркат нещата. Найлоновият гъвкав съединител за зъбни колела тип NL коригира тези проблеми, като същевременно поддържа високи скорости. Ето защо толкова много компании, изграждащи автоматизирани поточни линии, търсят този найлонов зъбен съединител за прецизно CNC оборудване, когато имат нужда от персонализирани настройки.
Ще го намерите и в ОВК системи и пречиствателни станции. Тези места използват често вентилатори и вентилатори и ако тези части вибрират твърде много, стават силни и се повреждат. Този гъвкав зъбен съединител за потискане на вибрациите за HVAC вентилатори намалява шума и оборудването работи стабилно - без неочаквани спирания при процеси на отопление/охлаждане или обработка на вода.
Като цяло, NL Type Nylon Gear гъвкав съединител е бюджетен избор за почти всяка индустрия. Той е здрав, лесен за инсталиране и върши работата. Ако търсите надежден доставчик на съединители за промишлени зъбни колела, Raydafon може да ви свърже с персонализирани опции, които отговарят точно на вашите нужди - така че да получите най-добрата производителност и дълготрайна част.
⭐⭐⭐⭐⭐ Уанг Лей, машинен инженер, Guangzhou Machinery Co., Ltd.
Ние разполагаме с найлонов гъвкав съединител тип NL на Raydafon на нашите поточни линии от известно време и той се представя стабилно – много по-надежден от някои от другите съединители, които сме пробвали. Дизайнът на найлоновото зъбно колело се отличава тук: той премества въртящия момент плавно, без резки прехвърляния и намалява вибрациите толкова много, че всъщност можете да различите как работят машините.
Инсталацията също беше безпроблемна. Нямаме много допълнително пространство в нашето оборудване, но този съединител пасва идеално още от кутията – няма нужда да модифицирате нищо. Работи без прекъсване и почти няма следи от износване; тази издръжливост означава, че не спираме производството, за да го поправяме или заменяме толкова често. Като цяло, това е солиден, рентабилен избор, който прави точно това, от което се нуждаем.
⭐⭐⭐⭐⭐ Джон Смит, управител на завода, Chicago Industrial Solutions, САЩ
Заменихме нашия стар метален съединител с NL Type Nylon Gear на Raydafon в нашия завод в Чикаго и промяната беше ден и нощ – можете да го почувствате в секундата, когато запалихме машините. Вибрацията, която преди разтърсваше частите, се разхлаби? изчезнал. Силното бръмчене от стария съединител? Успокоява се толкова много, че подът се чувства по-спокоен. А пренос на мощност? Гладко, доколкото може да бъде, дори когато работим с големи натоварвания.
Нещо повече, той се справя с несъответствието много по-добре от металния някога - няма повече да го променяте всяка седмица, за да поддържате нещата по правилния път. Raydafon също ни го достави бързо; доставката беше точно по график и качеството беше първокласно - без евтини части или калпава работа. Вече казах на няколко други ръководители на заводи за това; това е видът продукт, за който искате да разкажете.
⭐⭐⭐⭐⭐ Анна Мюлер, ръководител на поддръжката, Мюнхен Инженеринг, Германия
Преди няколко месеца поставихме съединителя тип NL на Raydafon в нашите високоскоростни машини и това промени играта за нашия екип. Найлоновият материал на зъбното колело е интелигентно решение – той не се износва толкова бързо, колкото металът, така че не сменяме частите толкова често и е много по-тих. Това може да звучи малко, но по-тихият магазин означава по-малко умора за екипа и по-малко разсейване, когато проверяваме оборудването.
Той е достатъчно гъвкав, за да се справи с леките премествания, които идват с движение с висока скорост, но все пак достатъчно здрав, за да издържи на натиск - без огъване или счупване. Инсталацията също беше проста; нашите техници го настроиха за час, без сложни инструкции. Имахме много по-малко спирания на машини, откакто го инсталирахме, и всичко работи по-гладко. Raydafon доказа, че е доставчик, на който можем да разчитаме – без изненади, само добри продукти.
⭐⭐⭐⭐⭐ Карлос Мартинес, оперативен директор, Madrid Manufacturing Corp., Испания
Найлоновият гъвкав съединител NL тип на Raydafon е точно висококачественият продукт, който търсихме. Добавихме го към нашата производствена линия, надявайки се да намалим вибрациите и да повишим ефективността – и той се представи и в двете точки, без въпроси. Найлоновото оборудване му дава точното количество гъвкавост, за да поддържа нещата гладки, но не жертва здравината – дори когато натискаме линията, за да спазим кратки срокове.
Освен това е компактен, което е голям плюс за нашата настройка; нямаме много допълнително пространство и този съединител пасва точно, без да претрупва други части. Използваме го вече месеци и не е имало никакви проблеми – нито повреди, нито странни шумове, просто постоянна производителност. Между самия продукт и страхотното обслужване, което получихме от Raydafon, ние сме повече от доволни. Този е пазач.
Адрес
Индустриална зона Luotuo, област Zhenhai, град Нингбо, Китай
Тел
Електронна поща


+86-574-87168065


Индустриална зона Luotuo, област Zhenhai, град Нингбо, Китай
Copyright © Raydafon Technology Group Co., Limited Всички права запазени.
Links | Sitemap | RSS | XML | Политика за поверителност |
