QR код
Продукти
Свържете се с нас


факс
+86-574-87168065

Електронна поща

Адрес
Индустриална зона Luotuo, област Zhenhai, град Нингбо, Китай
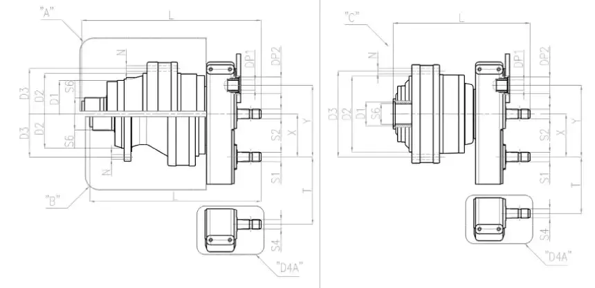
| Модел | PG-702 | PG-1002 | PG-1602 | PG-1802 | PG-2502 | PG-3002 | PG-3503 | |||
| Съотношение i | 18.2 | 18.3 | 13.4-33.6 | 15.7-29.9 | 14,6-20-36,2 | 45.3 | 53.7 | |||
| Тип изход | B | B | B | C | B | C | A | C | C | C |
| D1 |
|
|
|
88HB |
|
88HB | 245F7 | 102H7 | 102H7 | 122HF |
| D2 | 200F7 | 230F7 | 230F7 | 278F7 | 230F | 278F7 | 340F7 | 340F7 | 340F7 | 340F7 |
| D3 | 250 | 295 | 295 | 314 | 295 | 314 | 370 | 370 | 370 | 370 |
| N | ∅15×N°12 | ∅17×N°10 | ∅17×N°10 | ∅15×N°18 | ∅17×N°10 | ∅15×N°18 | ∅17×N°15 | ∅17×N°15 | ∅17×N°15 | ∅17×N°15 |
| L | 646.5 | 627.5 | 693 | 490.5 | 714 | 499.5 | 798.5 | 595.5 | 601 | 680.5 |
| S6 | 70*64 DIN5482 | 80*74 DIN5482 | 100*94 DIN5482 | 80*74 DIN5482 | 100*94 DIN5482 | 80*74 DIN5482 | 100*94 DIN5482 | 100*94 DIN5482 | 100*94 DIN5482 | 120*22*5 DIN5482 |
| S1 | 1" 3/8 Z6 | 1" 3/8 Z6 | 1" 3/8 Z6 | 1" 3/8 Z6 | 1" 3/8 Z6 | 1" 3/8 Z6 | 1" 3/8 Z6 | 1" 3/8 Z6 | 1" 3/8 Z6 | 1" 3/8 Z6 |
| S2 | 1" 3/8 Z6 | 1" 3/8 Z6 | 1" 3/8 Z6 | 1" 3/8 Z6 | 1" 3/8 Z6 | 1" 3/8 Z6 | 1" 3/8 Z6 |
|
|
|
| DP1 | 40*36 DIN5482 | 40*36 DIN5482 | 40*36 DIN5482 | 40*36 DIN5482 | 40*36 DIN5482 | 40*36 DIN5482 | 40*36 DIN5482 | 40*36 DIN5482 | 40*36 DIN5482 | 40*36 DIN5482 |
| DP2 | 60.3HB | 60.3HB | 60.3HB | 60.3HB | 60.3HB | 60.3HB | 60.3HB | 60.3HB | 60.3HB | 60.3HB |
| X | 157 | 157 | 157 | 157 | 157 | 157 | 157 | 157 | 157 | 157 |
| Y | 262 | 262 | 262 | 262 | 262 | 262 | 262 | 262 | 262 | 262 |
| S4 |
|
|
|
1" 3/8 Z6 |
|
1" 3/8 Z6 |
|
1" 3/8 Z6 | 1" 3/8 Z6 | 1" 3/8 Z6 |
| T |
|
|
|
156.8 |
|
156.8 |
|
156.8 | 156.8 | 156.8 |
| Модел | Съотношение i | D1 | D2 | D3 | D4 | N | E |
| PG-1602 | 22.14-33.6 | 80*74 DIN5482 | 225 F7 | 278 F7 | 314 | ∅15×N°18 | SAE B/SAE C |
| PG-2502 | 20-36.2 | 100*94 DIN5482 | 245 F7 | 340F7 | 370 | ∅17×N°15 | SAE B/SAE C |
| Модел | Съотношение i | D1 | D2 | D3 | N | E |
| PG-161 | 3,55-2,49-5,60 | 40*36 DIN5482 | 110 F7 | 165 | ∅10,5×N°8 | SAE A/SAE B/SAE BB/OMTS |
| PG-251 | 4.13-5.17-6.00 часа | 58*53 DIN5482 | 150 F7 | 195 | ∅13×N°10 | SAE A/SAE B/SAE BB/OMTS |
| PG-501 | 4.13-5.17-6.00 часа | 58*53 DIN5482 | 150 F7 | 195 | ∅13×N°10 | SAE A/SAE B/SAE BB/OMTS |
Развитието наПланетен редуктор на фуражния миксер от серия PGпроизлиза от дълбоко вникване в болезнените точки на трансмисионната система на традиционното смесително оборудване. Архитектурата на разпределената му трансмисия с три планетарни зъбни колела не е просто подреждане на механични структури, а чрез многократно симулиране на условията на напрежение при различни съотношения на суровините, най-накрая се определя златната комбинация от модул на зъбно колело, ширина на зъбите и ъгъл на спиралата. Например, когато се обработват царевични стъбла и смеси от соево брашно, неговият уникален еволвентен дизайн на зъбите може да намали риска от задръстване на материала с 15%. С високопрецизния процес на шлайфане, грапавостта на повърхността на зъбите се контролира под Ra0,8, което увеличава ефективността на трансмисията с 8%-10% в сравнение с традиционните скоростни кутии. Измерените данни на фуражна фабрика показват, че при 12 часа непрекъсната работа на ден, консумацията на енергия на тази скоростна кутия е с 14% по-ниска от тази на подобни продукти, а амплитудата на колебанията на въртящия момент на смесителния вал е намалена с 22%, което значително подобрява равномерността на смесване.
За твърди частици като пясък, камък и метални остатъци, които често се смесват с фуражни суровини, тази скоростна кутия е насочена по отношение на материали и процеси. Тялото на предавката е изработено от легирана стомана 20CrMnTi. След обработка с охлаждане с дълбочина на карбуризация от 1,2 mm, комбинирана с процес на темпериране при ниска температура, якостта на умора при огъване на корена на зъба се увеличава до повече от 850MPa. При екстремни условия на работа на непълно пресяване на суровини в ранчо, неговата устойчивост на питинг е издържала на непрекъснат 500-часов тест за удар с пясък и чакъл и само леки драскотини са се появили върху повърхността на зъбите без обелване. В същото време, чрез оптимизиране на разположението на плочата на ребрата и предварителното натоварване на лагера на планетарния носач, скоростната кутия все още може да поддържа точността на трансмисията, когато е подложена на мигновен удар от 1,5 пъти номиналния въртящ момент, избягвайки риска от неправилно центриране на предавките или счупване на зъбите, причинено от претоварване.
Интелигентният дизайн на скоростната кутия произтича от задълбочено разбиране на болезнените точки при работа и поддръжка в индустрията за преработка на фуражи. Неговият вграден интелигентен модул за наблюдение не е обикновен колектор на данни, а кръстосан анализ на температура, вибрации, ток и други сигнали чрез модел на алгоритъм. Например, когато се установи, че температурата на лагера е необичайно висока, системата ще комбинира данните от хронологията на натоварването, за да определи дали смазването е недостатъчно или износването на лагера, и ще даде конкретни препоръки за поддръжка. След прилагането на тази система, компания за фуражи избегна три непланирани прекъсвания чрез подмяна на грес и регулиране на хлабината на лагерите предварително, а общата ефективност на оборудването (OEE) се увеличи с 18%. В допълнение, дизайнът на неговата модулна структура за бързо освобождаване е вдъхновен от обратната връзка на персонала по поддръжката на първа линия. Трябва да се разхлабят само четири болта, за да се завърши цялостната подмяна на комплекта планетарни зъбни колела, а времето за поддръжка се съкращава от 4 часа на традиционната структура на 1,5 часа.
По отношение на опазването на околната среда и оптимизирането на енергийната ефективност, иновативният дизайн на скоростната кутия произтича от точното разбиране на нуждите на фуражната индустрия за намаляване на разходите и повишаване на ефективността. Неговата структура за разсейване на топлината не увеличава сляпо площта на разсейване на топлината, но оптимизира спиралния ъгъл и разстоянието на ребрата за разсейване на топлината чрез симулация на механика на флуида, така че ефективността на естественото разсейване на топлината се увеличава с 30%, като по този начин се намалява консумацията на енергия от охлаждащия вентилатор. В системата за смазване е възприета двузонова технология за подаване на масло за динамично регулиране на обема на маслото в зависимост от натоварването, като се избягва методът на "наводняване" на смазване на традиционните скоростни кутии и се намалява консумацията на смазка с 25%. Действителното измерване на линия за производство на фураж, изнесена в Европа, показва, че нивото на шума на скоростната кутия е с 5 dB по-ниско от стандарта на ЕС, а нивото на енергийна ефективност достига стандарта IE3, което помага на клиентите да преминат успешно сертификацията за енергийна ефективност на страната вносител. Тази концепция за дизайн, която дълбоко обвързва техническите детайли с търговската стойност, е ключът към продукта, който печели пазарно признание.
здравей Аз съм Елена Гарсия, клиент от Барселона, Испания. Ние използваме вашата планетарна скоростна кутия в нашата система за проследяване на фотоволтаични панели от година и половина. Това оборудване напълно реши нашия проблем с точността на проследяване на слънчевата светлина - скоростната кутия, която използвахме преди, винаги имаше отклонение на проследяването от около 5 градуса всяка сутрин и вечер, докато вашата планетарна скоростна кутия с енкодер може да контролира грешката на проследяване в рамките на 0,5 градуса. Сега средното дневно производство на електроенергия от фотоволтаични панели се е увеличило с 18% в сравнение с преди и дори сметката за електричество е значително по-тънка. Сега тази планетарна скоростна кутия издържа теста на солени пръски и силни ветрове във фотоволтаичната електроцентрала на брега на морето. Антикорозионното покритие на корпуса на скоростната кутия не е показало никакви признаци на падане и вътрешното трансмисионно масло не се нуждае от смяна толкова често, колкото преди. Очаквам с нетърпение да работя с вас в повече проекти за възобновяема енергия в бъдеще!
Аз съм Ханс Мюлер, машинен инженер от Германия. Преди половин година закупих планетарните скоростни кутии на Raydafon за надграждане на производствената линия. След като ги използвах, надминаха очакванията ми! Оборудването работи при голямо натоварване в продължение на 16 часа на ден, за да обработва суровини с висок вискозитет. Шумът от скоростната кутия е намален с 20%, ефективността на трансмисията е стабилна на повече от 94%, повишаването на температурата винаги се контролира в рамките на 25°C, а издръжливостта е далеч по-добра от старите модели. Вашият екип беше професионален и ефективен по време на целия процес, от ранна оптимизация на параметрите, настройка на уплътнителната структура до насоки за дистанционно отстраняване на грешки. Детайлният дизайн (като прахоустойчиви уплътнения и стандартизирани монтажни отвори) допълнително отразява дълбокото разбиране на действителните условия на работа. Качеството на продуктите и нивото на обслужване на Raydafon ме накараха да го включа в списъка на дългосрочните доставчици без колебание и горещо го препоръчвам на колегите си!
Управлявам ранчо от толкова много години и смених много скоростни кутии. Едва когато използвах планетарната скоростна кутия на Raydafon, наистина осъзнах какво означава да си безгрижен! Оборудването, което използвах преди, винаги беше с недостатъчна мощност при смесване на силаж и предавките често се плъзгаха. Не очаквах планетарната ти скоростна кутия да е толкова мощна. Вашият продукт е много по-лесен за инсталиране, отколкото си мислех, и също така е лесен за поддръжка. Последният път, когато направих ежедневна проверка, установих, че скоростната кутия е много добре уплътнена и няма никакви следи от теч на масло. Определено ще продължа да ви подкрепям в бъдеще и ще ви препоръчам на моите приятели животновъди! ----Марк Джонсън
Адрес
Индустриална зона Luotuo, област Zhenhai, град Нингбо, Китай
Тел
Електронна поща


+86-574-87168065


Индустриална зона Luotuo, област Zhenhai, град Нингбо, Китай
Copyright © Raydafon Technology Group Co., Limited Всички права запазени.
Links | Sitemap | RSS | XML | Политика за поверителност |
